マルチモード無線データモデムIC 「CMX7143」
最新テクノロジーのご紹介
Product Information 製品情報
CMX7143は無線データモデムアプリケーション向けのハーフディプレックスモデムICで、その機能は同社独自のFirmASIC™技術を用いた Function Image™データファイル(以下、FI)を起動時毎にアップロードすることにより機能構成されます。現在CMX7143は、GMSK/GFSKパケットデータモデム向けにFI-1.x、4値FSKパケットデータモデム向けにFI-2.xがリリースされており、このFIを外部EEPROMやホストuCに保存し、C-BUSシリアルインターフェイスを介してアップロードすることにより各々の機能が構成されます。そのためFIを入れ換えることにより、1つの ICハードウエア上で異なる変調方式を対応する事が可能です。また、今後新たにリリースされるFIを使用することにより、デバイスの機能・特徴を製品出荷後でアップグレードすることも可能です。
CMX7143はキャリアセンス機能を有しており、チャンネルが他局で使用されていると検出した場合、他のチャンネルに振り替える機能を補助します。また、受信機能ではフレーム同期信号の自動検出機能を有しており、ホストからの最低限のコントロールのみで受信信号の検出が可能です。他の機能として、4つの選択可能な入力端子を持った2系統の補助ADCと4系統の補助DAC(うち1系統のDACには送信出力のランピング機能を補助する為にRAMDACオプション機能を付属)も内蔵しております。
本製品の特長・機能
- 同社独自のFirm ASIC™技術による「Function Image™」により複数変調形式に対応
- FI-1.x: GMSK/GFSK変調モデム機能
- FI-2.x: 4値FSK変調モデム機能
- ハーフディプレックス操作
- 自動フレーム同期信号検出機能
- 自動プリエンブル/フレーム同期信号挿入機能
- 補助ADC:2系統、補助DAC:4系統内蔵
- アナログ入力端子(RSSI又はディスクリミネータ):3系統内蔵
- ホストμC間C-BUSシリアルインターフェイス接続
- 柔軟なビットレート対応
- 標準データフォーマット対応、Rawデータモード、データポンプ機能、キャリアセンス機能対応
- 補助システムクロック出力機能
- 2ポイント変調送信出力又はI/Q信号変調送信出力対応
- パッケージタイプ
- L4(48ピン LQFPパッケージ 7mm×7mm)
- Q3(48パット VQFNパッケージ 7mm×7mm)
- 低電力動作:3.0V~3.6V
- 柔軟な個別機能ごとのパワーセーブモード対応

CMX7143 システム構成図

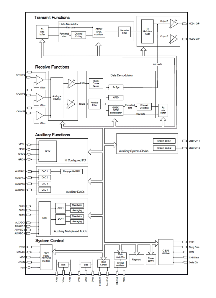
CMX7143: FI-1.x ブロック図

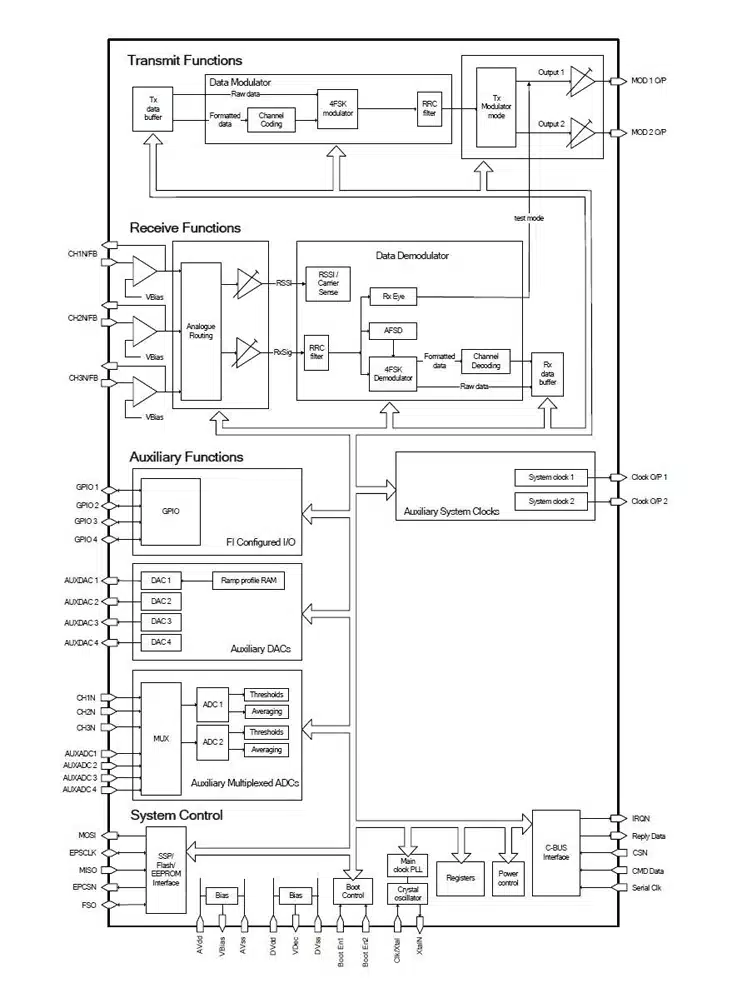
CMX7143: FI-2.x ブロック図

CMX7143 システム概略図
最先端技術の知見豊富な
コーンズテクノロジーまで
Products 製品を探す
業界・用途別
本製品についての
お問い合わせはこちら
ご覧いただいている製品の仕様にご不明点がある方は、お気軽にお問い合わせください。
当社スタッフが必要な条件・用途をお伺いした上で、最適な製品をご提案いたします。