CML社 CMX940(VCO PLL IC)の評価ボードEV9400での最適な周波数設定方法
このエリアに目次が生成されます
はじめに
無線機を制作する場合、安定した多くのRF周波数信号を生成する必要があります。多くの場合、VCO(電圧制御発信器)とPLL(位相同期回路)を使用しますが、設定した周波数以外の信号を出力しないことが理想的です。
しかし、実際には様々な要因により設定した周波数以外の信号を出力してしまいます。参照周波数・各分周比の設定値・PLLの方式などによって不要な周波数の出方も異なります。
2020年にリリースしたCMX940用の評価ボードEV9400では、常に希望周波数以外を抑制する設定が容易に可能であり、その方法は以下の手順で行います。


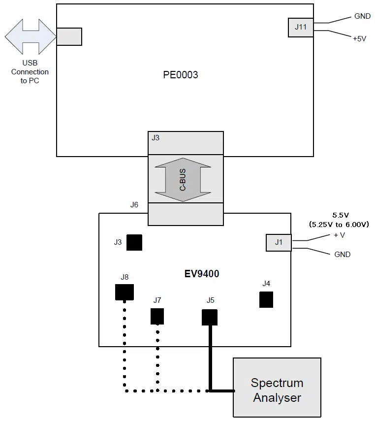
EV9400 ブロック図
EV9400のご紹介とツールのダウンロード
EV9400のご紹介とツールのダウンロード
EV9400はCMX940の評価ボードとなります。CML社 CMX940のWebページ( https://www.cmlmicro.com/products/cmx940-low-power-high-performance-rf-synth-with-integrated-vco/ )から、上部水色帯の「Design resources」をクリックして下さい。
「Evaluation and Demonstration Kits」や「Application Notes」をご確認頂くと、CMX940や評価ボードの情報が入手可能です。

また、EV9400の場合は各種資料をダウンロードする際、CML Web SiteへのLogin(CML Web 右上から)が必要です。
◆未ログイン状態:

◆ログイン状態:

もし、ログイン後も「未ログイン状態」の様にダウンロード出来ない場合、弊社担当営業にお問い合わせ下さい。
ログイン後は、EV9400 GUIの項目でもダウンロードが可能になります。
EV9400 GUIの詳細な使用方法は、EV9400 User Manualをご確認下さい。
動作確認方法
簡易的な動作確認手順は、下記の通りです。
詳細は EV9400 User Manualをご確認下さい。
1. EV9400とPE0003(C-BUS1(J3))を接続し、それぞれに電源を接続。EV9400 User Manual の5.1 Setting-Upをご確認下さい。

2. LOOUT1(J5)に、測定器(スペクトラムアナライザ等)を接続して下さい。
3. PE0003とPCを、USBケーブル(Type-A – Mini-B)を使って接続して下さい。
4. ES9400xx.exe (EV9400 GUI)を、実行して下さい。
5. 「Spur Avoidance」タブを、選択して下さい。

6. 「Spur Avoidance」タブ内で、「Target Output Freq」に周波数(MHz)を入力して下さい。

7. 「Spur Avoidance」タブ内の、「Calculate」ボタンを押して下さい。
8. 「Spur Avoidance」タブ内の、「Write Registers」ボタンを押して下さい。
9. 「REF PLL」タブ(9-A)を選択して、「Run」ボタン(9-B)を押して下さい。

10. 下記のRUNNINGサインを、「SDIV」ブロック下に確認して下さい。

11. 「SPLL」タブ(11-A)を選択して、「Run」ボタン(11-B)を押して下さい。

12. 上記のRUNNINGサインを、「LOOUT1」ブロック右に確認して下さい。
13. 測定器(スペクトラムアナライザ等)で、状態を確認して下さい。
測定例: 450.00625MHz

14. 別の周波数を入力するために、「Spur Avoidance」タブを選択して下さい。
15. 「Spur Avoidance」タブ内で、「Target Output Freq」に周波数入力(MHz)して下さい。
16. 「Spur Avoidance」タブ内の、「Calculate」ボタンを押して下さい。
17. 「Spur Avoidance」タブ内の、「Write Registers」ボタンを押して下さい。
18. 測定器(スペクトラムアナライザ等)で、状態を確認して下さい。
以後、14-18の動作を繰り返して下さい。
終わりに
本コラムに関するご質問やご要望等ございましたら、ページ下部のお問い合わせフォームより、お気軽にお問い合わせください。
この記事の監修者
コーンズテクノロジー編集部
コーンズテクノロジーでは先進的な製品・技術を日本産業界へ紹介する技術専門商社として、通信計測・自動車・防衛セキュリティ・電子機器装置・航空宇宙・産業機械といった技術分野のお役立ち情報を紹介しています。